Volvo 940 1995 Wiring Diagrams Seat Belt Warning Carknowledge Seat Belt Warning Circuit Diagram Toyota Land Cruiser Fj4 6 Bj4 Repair Guides Seat Belt Light Wiring Diagram Wiring Diagram Third Level Volvo 740 1990 Wiring Diagrams Seat Belt Warning Carknowledge 1991 Mazda B2600i Wiring Diagram Key In Igntion Buzzer Seat Repair Guides. Step 1 Beware of the airbag risk.
Seat Belt Wiring Diagram - If you're looking for picture and video information linked to the keyword you've come to visit the right blog. Our website provides you with suggestions for viewing the highest quality video and picture content, search and locate more informative video articles and graphics that match your interests. comprises one of tens of thousands of video collections from various sources, especially Youtube, so we recommend this video for you to see. This site is for them to visit this site.
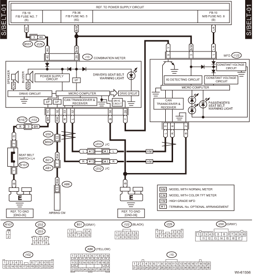
Seat Belt Warning System 1 General 2 Wiring Diagram
Tighten the seat belt assembly anchor bolts to the torque specified in each seat belt assembly graphic.

Seat belt wiring diagram. Home Wiring Diagrams Seat Belt Diagram. Zv 0251 Typical Seat Belt Warning Light Circuit Car Wiring Diagram Diagram Scag Wiring Harness Full Version Hd Quality Beefdiagram Nuumobile It Diagram Rj45 Color Wiring Full Version Hd Quality Outletdiagram Epursimuove It. After seat belt installation reinstall the interior trim parts andor seats.
Ive heard that this will throw the airbag light and it will take a reset with a OBC computer to turn it off. Bulkhead wiring harness in engine compartment rh. Bulkhead wiring harness in engine compartment lh location.
Does anyone have the wiring diagram for the VW seats or has this been done before. To do a swap like this you will need to identify each wire on the seat you want to installeasiest way is to connedt to a battery and see what each lead does and write it down then match those functions to the wiring from the jeep. Audio system wiring diagram.
And finally we upload it on our website. Please see more wiring amber you can see it in the gallery below. Diagrams for the following systems are included.
Blind spot detection rear cross traffic alert wiring diagram. Terminal and harness assignments for individual connectors will vary depending on vehicle equipment level model and market. I have the wiring diagram for the 987 seats with the Seat belt warning having a 400 ohm interface.
Acura RL wiring diagram seat belt warning. Diagram Peter Green Wiring Full Version Hd Quality Miiagram Olbiatempioturismo It. I got my power seats to work great in my 68 camaro.
The wiring diagrams are grouped into individual sections. Im wondering if I couldnt fabricate a plug that woul. The wiring diagram on the opposite hand is particularly beneficial to an outside electrician.
We collect lots of pictures about Seat Belt Diagram. On many cars the seat belt sensor is also used to trigger the airbag. Acura RL wiring diagram seat bet -warning part 1 Acura RL wiring diagram seat belt -warning part 2 Version 2.
3 Point Retractable Seat Belt Diagram. If a component is most likely found in a par-ticular group it will be shown complete all wires connectors and pins within that group. Investigate whether this is the case on your car before doing anything drastic to your seat belt alarmStep 2 Check the user manual or ask your reseller to disable it per software.
Many good image inspirations on our internet are the very best image selection for Seat Belt Diagram. Install the replacement seat belt assembly taking care to route the belt through openings in the interior trim parts as necessary. 2002 nissan frontier crew cab oem parts nissan usa estore cub cadet parts diagrams cub cadet 364 2001 53aa1a5l100 2001 44 best early bronco wiring diagram.
For exam-ple the Auto Shutdown Relay is most likely to be found in Group 30 so it is shown there complete. Almost all manuals give instructions on how to disarm the seat belt alarm without cutting any wires. Just about to install some seats from a Porsche 987 into my T6.
I still have yet to hook up the power to them because the drivers seat was already in the perfect position for my height. Hopefully we provide this is often ideal for you. Can I bypass the switches at this point to verify they are the problem before I order a new seat assy and if so which wires.
Im looking to install race seats and due to the clearance on the sides of the seats Id like to unplug the seat belt receptacle. Help or advice appreciated Thanks Trello. 2 Point Lap Seat Belts.
They come to a 3 pin connector behind the seat. Diagram Seat Belt Light Wiring Full Version Hd Quality Avdiagrams Cefalubb It. So I got 08 SRT seats a while ago and put them in my 05.
March 11 2019 113044 AM As some of you may know and others probably dont the 74 model years came with a seat belt interlock system that would prevent the car from starting without the seat belts being latched. I have VCDS so can probably just turn off the warning light. Back-up light system wiring diagram.
Bulkhead wiring harness in compartment location. I have no schematic diagram. This photograph New Holland Skid Steer Wiring Diagram Best Of New Holland Ls Ls Skid Steer Loader Wiring Diagram over is actually classedREPAIR Manual NEW HOLLAND LSLS This service repair manual written in PDF format contains every information you will ever need for repairing servicing rebuilding or maintaining your NEW HOLLAND LSLS It covers every part of it and contains.
Thanks for visiting our website to search Seat Belt Parts Diagram. Wiring diagrams and seat belt interlocks on. 1975 corvette seat belt of a graphic i get via the 1991 corvette power seat wiring diagram collection.
Rg 2294 Typical Seat Belt Warning Light Circuit Car Wiring Diagram. The seat upholstery is very bad and the belt switch is rigged. A three point seat belt is a y shaped belt that is the combination of a lap belt and a sash belt.
I think its about time to get this done and Im only looking to get the power functions working right now because the heat functions are going to be very difficult I already know. Browse 38 land rover seat belts diagrams including anchorage rear inward facing seats anchorage rear inward facing seats anchorage rear inward facing seats anchorage rear seats centre front seat belt assembly centre front seat belt assembly. Sw 2911 Seat Belt Light Wiring Diagram Schematic.
This is the 1975 corvette tachometer wiring diagram.
Subaru Crosstrek Service Manual Seat Belt Warning System Wiring Diagram Wiring System
How To Disable The Seatbelt Warning Light In My Car Quora
Toyota Corolla Repair Manual Seat Belt Warning Lamp For Driver S Seat Does Not Operate Combination Meter Diagnostics
Seatbelt Presenter Electrical Wiring Diagram Mercedes Benz Forum
Toyota Ch R Service Manual Seat Belt Buckle Switch Lh Circuit Malfunction B1656 38 Airbag System
Inspira Lancer Mod Guide Passenger Seat Belt Warning Sign
Seat Belt Warning System For 72 Restore Corvetteforum Chevrolet Corvette Forum Discussion
Toyota Corolla Repair Manual Seat Belt Warning Lamp For Front Passenger S Seat Does Not Flash Combination Meter Diagnostics
Airbag Light Seat Belt Swith Resistor Fix Wiring Diagram Vw Beetle Forum



