I have a brown earth and a white ground. Added a wiring diagram for the Vespa VL3 to the Vespa wiring diagrams page CHECK IT.
Lambretta Gp 150 Wiring Diagram - If you're looking for video and picture information linked to the key word you have come to visit the right blog. Our website provides you with suggestions for seeing the highest quality video and picture content, search and locate more enlightening video content and images that fit your interests. includes one of tens of thousands of video collections from several sources, especially Youtube, so we recommend this movie that you see. This site is for them to visit this website.
Lambretta Sil Gp 150 Vehicles Scooter Center
Cambridge Lambretta Works Sil Electronic.

Lambretta gp 150 wiring diagram. Vespa Lambretta 1960s. Wire it as per a series 3 with a key switch. Fernando himself was born in 1881 in a small Italian town.
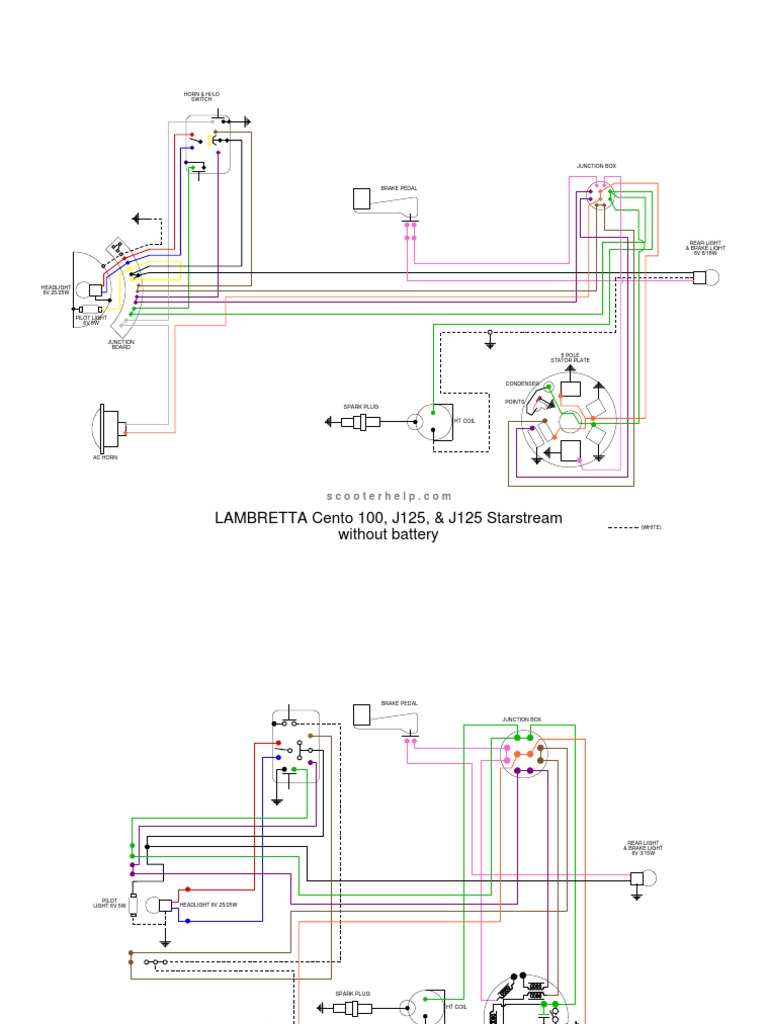
Scooter help sx 150 lambretta li series 3 servetta electronic with manualzz jet 200 12v voltage regulator conversion beedsd wiring harness li150 lidanuk bgm ac dc instruction manual restorations spares non battery grey 2 made in england cambridge works sil. These scans are taken from the original service book which was distributed to dealers in the 50s. Essential lambretta maintenance innocenti li 150 series 3 wiring help scoota sip sdo s3 ac set up suzuki every diagram in english servetta jet 200 125 2 jaguar ignition switch dc or mb mbp0153 scooters beedsd conversion harness scootopia sx tv head light bulb junction box holder gp electrics posts facebook 5.
Added a gallery page to the Lambretta page for a GP 150 CHECK IT. It seems there are many diagrams for each bike so I have used the most common ones for any certain model or a. Scootopia Lambretta 12v Variable Dl Gp Electronic Kit.
If you need to download the PDF reader click here. Using the wiring diagram posted earlier in the build connect the wires. Only use the kill circuit on the.
Sunday 20 November 2011. I seem to have encountered further issues with this electric jazz. Scooter help sx 150 wiring scoota essential lambretta maintenance sip sdo li s3 ac set up high ignition diagram 6 electronic instructions thelambro com electrics 97 s10 headlight full mio sporty 2007 hhr wire for 1990 379 pete 1968 69 bus posts facebook series 3 cev head light bulb holder cambridge works sil manual pdf fault codes j125.
It shows some maintenance information a quick guide to disassembly and various pages of tolerances and electrical diagrams. Scooter help li 125 series 3 sx 150 lambretta innocenti ld 1954 56 spares wiring scoota j125 starstream electrical diagram li150 lidanuk up a 6v ac servetta jet 200 cambridge works sil thelambro com electrics voltage regulator led 12v full bgm dc instruction manual sip sdo s3 set loom vespa ss90 gp dl beedsd conversion harness parts top kit tv. The rest I have been directed but cant make s.
All contents in this section is taken from Lambretta GP150GP200 Workshop Manual Instructions for repair shops Scooters India Limited Lucknow India. The father of Inocenti was a blacksmith and after Fernando left school he and his brother began to help their father in blacksmithing. If you break the wiring down into sections it becomes easier still.
The complete guide to stripping down re-building Lambretta scooters. Thanks to James Gorman for all the scans. Vespa Lambretta 1950s.
Lambretta 125 150 175 and 200 Scooters for 1958 thru 2000. Lambretta wiring the lighting circuit can be one of the most frustrating parts of regular maintenance. Sip Sdo Li S3 Ac Set Up Help Scoota.
Diagram Buggy Wiring Full Version Hd Quality Diagramaperu Mariachiaragadda It. Scooter help sx 150 electronic instructions bgm 12v ac dc regulator instruction manual lambretta li series 3. Vespa Lambretta 1940s.
Many owners find wiring a no-go zone and see the wiring circuit as a mass of tangled cables they dare not touch. These are the official Casa Lambretta wiring diagrams for fitting a Casatronic ignition for most Lambretta wir. Lambretta Li125 150 Series 1.
Lambretta TV175 Series 1. The wiring loom Shown below is the genuine cover for the CDI unit. Click on any bike above for electrical diagrams by decade.
Scootering Classics Essential Lambretta Maintenance August 2018 Magazine. Everyone known in a certain youth culture brand Lambretta founded Fernando Inocenti in 1947. Follow the Electronic Ignition wiring diagram as supplied with the electronic ignition kit.
Please note that we do not recommend that you use all the information printed from the Workshop ManualThere is some information printed in the Manual that we do not agree with. 100708 - Cleaned up some coding and added a picture on the Online Owners Manual project CHECK IT. Scooter Restorations Lambretta Spares Wiring Harness Non Battery Grey Series 2 Made In England.
In most cases now you can pretty much follow the lambretta family of colour coding for wiring. -Routine Maintenance and servicing -Tune-up procedures -Engine clutch and transmission repair -Cooling system -Fuel and exhaust -Ignition and electrical systems -Brakes wheels and tires-Steering suspension and final drive -Frame and bodywork -Wiring diagrams. The diagrams are all color drafted copies of original wiring diagrams in Acrobat pdf file format.
With more and more machines becoming non standard in terms of parts fitted and used the old wiring diagrams mean less in terms of how your scooter needs to be wired. Some LAMBRETTA Scooter Owner Manuals Parts Manuals PDF are above the page - Jet Due 150D. Passed through it are the green white and red wires from the stator plate and a green wire from the loom.
Casatronic wiring diagrams English Version. This means that you will only use the highlow beam and horn on your current switch housing everything else in the switch is redundant. Lambretta 12v Ac Wiring Diagram.
So tie up tape up the unused wires. Fault Finding If you have followed the instructions above and are experiencing problems with your electronic ignition system below is a list of ways to test the various components which.
Diagram As Electric Os Lambretta Ignition System Headlamp
Scooter Help Sx 150
Lambretta Innocenti Gp 150 Dl 150 Vehicles Scooter Center
Lambretta Innocenti Li 150 Series 3 Vehicles Scooter Center
Gy4 4cc Engine Diagram Engine Diagram Diagram Wiring Diagram
Scooter Help Sx 150
Vespa Wiring Schematics Vespa Px Wiring Diagram Vespa 150 Super Wiring Diagram Penembak Jitu
Scooter Help 150 Lda Series 2 3 Electrical Diagram
Lambretta Innocenti Li 150 Series 3 Vehicles Scooter Center






