Connect the provided 4 pin plug to the unit as per image. Our digital library saves in fused countries allowing you to get the most less.
Toyota Hilux Speed Sensor Wiring Diagram - If you're searching for video and picture information linked to the key word you have come to pay a visit to the right blog. Our site gives you hints for viewing the maximum quality video and picture content, hunt and locate more enlightening video articles and graphics that fit your interests. includes one of thousands of movie collections from several sources, especially Youtube, so we recommend this video that you see. This site is for them to stop by this website.
Newhilux Net View Topic Vehicle Speed Sensor Wire
Diagram stereo wiring diagram toyota hilux full version hd quality toyota hilux.
Toyota hilux speed sensor wiring diagram. TOYOTA HILUX 2005 - 2011 SERVICE REPAIR INFORMATION MANUAL. This provides the input for the camera to the unit. KUN15 16 25 26 Series For service specifications and repair procedures of the above models other than those listed in this manual refer to the following manuals.
The Hilux uses this signal for many vehicle functions. Toyota Avalon 2001 Service Repair Manuals. UNDERSTANDING TOYOTA WIRING DIAGRAMS WORKSHEET 1 1.
Describe the meaning of the 2 in diagram component S. Next page FL FL FR 19 FL R 18 FL G S 4 7 FR W 6 FR R S 5 1 2 W FR 2 B W 1 W L W 5 3IG1 P 4IG1 L 17 RR G 16 RR R 1IG1 G 2IG1 R 2 BE1 L RL 4 P RL 1 BE1 4 BE1 3 BE1 S22 S21 Speed Sensor Front LH Speed Sensor Front RH Speed Sensor Rear LH Speed Sensor Rear RH 11 2 2 8 2L 2A 10A ECUIGGAUGE 6 B 92R2R 16 1 2 34 IG1 21 BZ. Master cylinder solenoid Skid control ECU HINT.
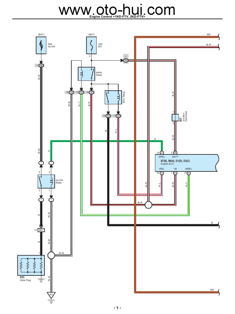
Toyota 1KD Engine Repair manual Troubleshooting PDF Toyota 1KD Engine Repair manual Troubleshooting Jimmy Rachmat - Academiaedu Academiaedu no longer supports Internet. FUSETOYOTA 2001 CELICA WIRING DIAGRAM Pdf Download April 22nd 2018 - View and Download TOYOTA 2001 CELICA wiring diagram online 2001 CELICA Automobile pdf manual download Also for 231 series Zzt 230 P0526 COOLING FAN SPEED SENSOR CIRCUIT RICKS FREE AUTO. Toyota hilux speed sensor ln106 hilux wiring diagram is easy to get to in our digital library an online entrance to it is set as public appropriately you can download it instantly.
Rear speed sensor RHLH. It all depends on circuit thats being constructed. TOYOTA HILUX SERVICE REPAIR MANUAL UPDATE 2015.
Some TOYOTA HILUX Wiring Diagrams are above the page. Describe the meaning of the C13 in the diagram component Q. The car was equipped with engines 15 16 19 20 in combination with a four-speed manual gearbox.
An open in the speed sensor signal circuit continues for 05 seconds or more. This wiring diagram manual has been prepared to provide information on the electrical system of the HILUX. Toyota Avalon 2006 Wiring Diagrams.
P0500 is a OBDII trouble code that affects the Toyota Hiluxs Vehicle Speed Sensor VSS. Toyota Avalon 2006 Collision Repair Manual. 1GR-FE- SFI system Mass air flow meter Camshaft oil control valve VVT sensor Crankshaft position sensor Engine coolant temperature sensor Throttle body Knock sensor Integration relay Fuel pump relay ECM Accelerator pedal rod.
Describe the meaning of the G-W in diagram component R. The second-generation Toyota Hilux was produced from 1972 to 1978. Describe the meaning of the SD in diagram component T.
Toyota Hilux Service information library 072005 - 052011. I assume this is V Ground and the pulsed signal going to the ECU. 41 HILUX Cont d Cont.
Besides the Vehicle Speed Sensor at the transmission has three wires comming out of it. The car was offered with engines of 16 20 and 22 liters and was equipped with four and five-speed. Toyota hilux speed sensor ln106 hilux wiring diagram.
1KD-FTV - ECD system Mass air flow meter Camshaft position sensor Crankshaft position sensor Engine coolant temperature sensor Intake air temperature sensor Diesel throttle body Integration relay ECM Accelerator. Connect green wire to the RedWhite wire in the centre of the white plug to the right of the fuse box. Toyota Hilux was first manufactured in around 1968.
Toyota Avalon 2001 Collision Repair Manual. Toyota Avalon 2006 Service Repair Manuals. According to previous the lines at a Toyota Wiring Diagram Color Codes signifies wires.
But it doesnt imply link between the wires. HILUX Repair Manual HILUX New Car Features. Hilux speed sensor ln106 hilux wiring diagram toyota hilux speed sensor ln106 hilux wiring diagram hilux electrical wiring diagram tuning concepts flowing from terminal 7 of the light failure sensor to terminals 1 2 changes so the light.
It helps control transmission shifts ABS cruise control the speedometer and more. Diagram wiring diagram ecu toyota hilux full version hd quality toyota hilux. How to Rebuild GM LS-Series Engines-Chris Werner 2008-05 With the increasing popularity of GMs LS-series engine family many enthusiasts are ready to rebuild.
1KD-FTV- ECD system Mass air flow meter Camshaft position. Describe and identify the diagram component U. This truck has gained a reputation for its exceptional reliability and sturdiness even during heavy use and in fact it is often referred to as the Indestructible Truck.
Sometimes the wires will cross. It is a series of compact pickup trucks. The VSS sends a signal to the engines computer letting it know how fast that the vehicle is going.
This is the reverse light trigger wire and should show 12v when the car is in reverse. This toyota hilux speed sensor ln106 hilux wiring diagram as one of the most functioning sellers here will no question be in the middle of the best options to review. Injunction of two wires is usually indicated by.
The first two-door pickup truck Toyota Hilux was produced from 1968 to 1972. The Vehicle Speed Sensor on Engine Control Drawing 2 only has 2 wires the signal it gets from the ECU 4 pulses per revolution of the speedometer sensor per the FSM and ground. Skid control sensor wire.
As of 20 14 Hilux is available worldwide except in Unites States. Rather than enjoying a good ebook subsequently a cup of coffee in the afternoon otherwise they juggled similar to some harmful virus inside their computer. A340F Automatic Transmission - Electronic controlled automatic transmission system Fluid Speed sensor Transmission wire ATF temperature sensor Park Neutral position switch Valve body assembly Shift lock system Floor shift assembly Automatic transmission assembly Torque converter clutch and drive plate Transmission control cable.
With the IG1 terminal voltage at 95 V or higher the sensor power supply voltage decreases for 05 seconds or more. Toyota Avalon 2001 Wiring Diagrams.
No Speedo Odometer 92 Toyota Yotatech Forums
Newhilux Net View Topic Vehicle Speed Sensor Wire
Wilbo666 Toyota Speed Sensors
Wilbo666 Toyota Speed Sensors
Wiring Diagram Ecu 2kd Ftv Throttle Systems Engineering
Where Is The Gearbox Speedo Sensor Hilux Surf 4runner Forum
I Have 2x 2011 Hilux S That I Am Installing A Gps Tracking Systems In I Am Trying To Identify The Speed Sensor Wire At
Wilbo666 Toyota Speed Sensors
Speed Sensor Hilux Surf 4runner Forum

